| 產品名稱: | M-NZM系列塑料外殼式斷路器 | |||||
| 型號規格: | ![]() |
|||||
| 產品類別: | 常規產品 -- 低壓電器 -- 塑殼斷路器 | |||||
| 參考價格: | 廠價直銷 | |||||
| 產品品牌: | 國產 | |||||
| 產品產地: | 上海 | |||||
| 可供數量: | 批量 | |||||
| 供貨周期: | 現貨(或電詢) | |||||
|
||||||
| 產品簡介: |
|
|||||





| 額定電流值(A) |
10 |
16,20 |
25 |
32 |
40,50 |
63 |
80 |
100 |
125 |
160 |
18,200,225 |
250 |
315,350 |
400 |
| 導線截面積(mm2) |
1.5 |
2.5 |
4 |
6 |
10 |
16 |
25 |
35 |
50 |
70 |
95 |
120 |
180 |
240 |
|
額定電流值(A) |
電 纜 |
銅 排 | ||
|
截面積(mm2) |
數量 |
尺寸(mm x mm) |
數量 | |
|
500 |
150 |
2 |
30x5 |
2 |
|
630 |
185 |
2 |
40x5 |
2 |
|
700,800 |
200 |
2 |
40x5 |
2 |


|
額定電流值(A) |
欠電壓脫扣器功率(W) | |
|
AC230V |
AC400V | |
|
M-NZM1-63 |
3.5 |
3.3 |
|
M-NZM2-100 |
2.6 |
3.3 |
|
M-NZM3-160 |
3.8 |
3.3 |
|
M-NZM3-225 |
3.8 |
3.3 |
|
M-NZM4-400 |
3.7 |
2.7 |
|
M-NZM5-630 |
2.3 |
2.7 |
|
M-NZM6-800 |
2.5 |
2.8 |
2.分勵脫扣器
接線圖(虛框內為開產在內部附件)

K:分勵脫扣器內部與線圈串聯的微動開關常閉觸頭,當斷路器分閘后,該觸頭自行斷開,合閘時閉合。
3.報警觸頭
|
斷路器處于“分”“合”時的位置 |
![]() |
|
斷路器處于“自動脫扣”(報警)時的位置 |
|
斷路器處于“分”時的位置 |
|
殼架等級電流400A及以上斷路器(一組四對觸頭) |
|
|
殼架等級電流225A及以下斷路器(一組二對觸頭) | |
|
斷路器處于“合”時的位置 |
|
殼架等級電流400A及以上斷路器(一組四對觸頭) |
|
|
殼架等級電流225A及以下斷路器(一組二對觸頭) |


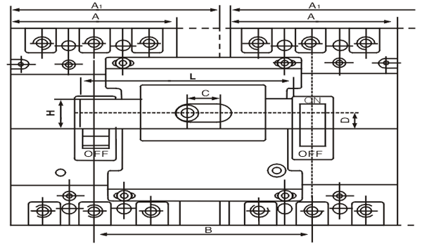
|
型號 |
A |
B |
C |
D |
L |
H |
備 注 | |
|
M-NZM1-63 |
78 |
102 |
18 |
13 |
95 |
22 |
用于M-NZM1-63N、H | |
|
M-NZM2-100 |
92 |
120 |
18 |
11.5 |
118 |
22 |
用于M-NZM2-100N、H、L | |
|
M-NZM3-160 |
107 |
135 |
18 |
9 |
130 |
22 |
用于M-NZM3-160N、H、L | |
|
M-NZM3-225 |
107 |
135 |
18 |
9 |
130 |
22 |
用于M-NZM3-225N、H、L | |
|
M-NZM4-400 |
150 |
190 |
42 |
16 |
175 |
22 |
用于M-NZM4-400N、H、L | |
|
M-NZM5-630 |
182 |
220 |
42 |
12 |
198 |
22 |
用于M-NZM6-630N、H | |
|
M-NZM6-800 |
210 |
240 |
42 |
29.5 |
230 |
20 |
用于M-NZM-630/800H、L | |
|
M-NZM1-63/4P |
103 |
132 |
18 |
13 |
125 |
22 |
用于M-NZM1-63四級 | |
|
M-NZM2-100/4P |
122 |
152 |
18 |
11.5 |
150 |
22 |
用于M-NZM2-100四級 | |
|
M-NZM3-160/4P |
142 |
173 |
18 |
9 |
168 |
22 |
用于M-NZM3-160四級 | |
|
M-NZM3-225/4P |
142 |
173 |
18 |
9 |
168 |
22 |
用于M-NZM3-225四級 | |
|
M-NZM4-400/4P |
198 |
240 |
42 |
16 |
225 |
22 |
用于M-NZM4-400四級 | |
|
M-NZM5-630/4P |
240 |
280 |
42 |
12 |
258 |
22 |
用于M-NZM5-630四級 |