| 產品名稱: | JZ-4型防高頻電磁波干擾中功率繼電器 | |||||
| 型號規格: | ![]() |
|||||
| 產品類別: | 常規產品 -- 低壓電器 -- 功率繼電器 | |||||
| 參考價格: | 廠價直銷 | |||||
| 產品品牌: | 上滬 | |||||
| 產品產地: | 上海 | |||||
| 可供數量: | 批量 | |||||
| 供貨周期: | 現貨(或電詢) | |||||
|
||||||
| 產品簡介: |
|
|||||
一、用途
JZ-4型為鎖鍵式電磁繼電器,能在高頻電磁波強的環境中正常工作,不發生誤動作。供電力網絡設備、高頻設備、電磁干擾設備、自動控制或通訊設備中作信號指示及保護之用。
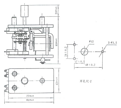
該繼電器的特點是機構堅固,耐振性強和交直流兩用。接觸系統有4付觸點(3-4,5-6,7—8,9-10)。當按下按鈕時,銜鐵上的齒將動觸點軸上的圓盤鎖住,使觸點3-4,7-8閉合,觸點5-6,9-10斷開。當繼電器銜鐵吸合時,源盤脫開,動觸點軸迅速復位,使觸點5-6,9-10閉合,觸點3-4,7-8斷開。若要重復使用時,必須再按下按鈕,使之能重復上述動作。
二、JZ-4型防高頻電磁波干擾中功率繼電器使用條件
環境溫度:-55~+55℃
相對濕度:+20℃達98%
大氣壓力:100±4kPa
工作位置:銜鐵運動方向與水平面垂直
三、主要技術特性
1、線圈電源:直流或交流
2、接紐接通力:≤25N
3、接點壓力:>0.6N
4、通電時間:線圈通電時間不得超過1秒鐘
5、絕緣電阻:常溫常濕:100MΩ 高濕:10MΩ
6、介質耐壓:1500V
7、振動強度:40Hz,振幅0.25mm,15Hz,振幅2.5mm
8、沖擊強度:70~80m/s²2000次
9、壽命:在交流50HZ,220V電路中,當觸點負載為500VA時,或在110V電感為2H的直流電路中,當觸點負載為100W時,應能通斷10000次。特規220VAC15A30A100000次。
10、重量:<350g
四、JZ-4型防高頻電磁波干擾中功率繼電器規格數據表
|
格序號 |
電路圖及接線端 標志 |
繞組數據
|
額定電壓V |
吸合電壓V | ||
|
直流電阻Ω |
匝數 |
線徑mm | ||||
|
4.509.000 |
![]() |
75±5% |
1600 |
0.16 |
直流110或交流220 |
直流≤30或交流≤50 |
