| 產品名稱: | LMZ1-0.5系列電流互感器 | |||||
| 型號規格: | ![]() |
|||||
| 產品類別: | 特別推薦 -- 低壓電器 -- 低壓電流互感器 | |||||
| 參考價格: | 廠價直銷 | |||||
| 產品品牌: | 國產 | |||||
| 產品產地: | 上海 | |||||
| 可供數量: | 批量 | |||||
| 供貨周期: | 現貨(或電詢) | |||||
|
||||||
| 產品簡介: |
|
|||||
LMZ(J)1-0.5型電流互感器為母線式電流互感器,供額定頻率50、60Hz,額定電壓0.5(0.66)kV以下的交流線路中作電流、電能測量及繼電保護之用。
(一)主要結構和特點
LMZ1-0.5系列電流互感器的鐵芯為環形和矩形鐵芯,一次線圈為母線,二次線圈沿環形鐵芯或矩形鐵芯徑向均勻纏繞,互感器用樹脂作主絕緣,中間窗孔供一次母線通過之用。
LMZ1-0.5系列電流互感器產品出頭標記,一次在外殼上部有P1字樣、二次出線端有S1、S2字樣;當一次電流由P1流入時,二次電流由S1流出經外部回路流回S2,即為減極性。
LMZ1-0.5系列電流互感器用于供電局時,可使用條形碼標牌,并帶有透明防護罩
|
型號 |
額定一次電流(A) |
額定安匝 |
額定負荷cosφ=0.8(VA) |
需多匝纏繞的一次電流(A) | ||
|
0.2-0.5級 |
1級 |
2級 | ||||
|
LMZ1-0.5 |
5,10 |
100 |
2.5 |
5 |
5-50 | |
|
15,30,50,75,150 |
150 |
5 |
7.5 |
15-75 | ||
|
20,40,100,200 |
200 |
20-100 | ||||
|
300,400 |
300,400 | |||||
|
LMZJ1-0.5 |
5,10,15 |
300 |
10 |
15 |
5-150 | |
|
20,30,50,75,100, 150,300 |
40-200
| |||||
|
40,200,400 |
400 | |||||
|
500,600,800 |
500-800 | |||||
|
100,1200,1500 |
1000-3000
|
20 |
||||
|
2000,3000 | ||||||
|
型號 |
額定一次電流(A) |
一次安匝 |
額定二次負荷(VA) | ||
|
0.2級 |
0.5級 |
1級 | |||
|
LMZ1-0.5 |
5;10;20;50;100 |
100 |
- |
5 |
7.5 |
|
15;30;75;150 |
150 | ||||
|
40;200 |
200 | ||||
|
LMZJ1-0.5 |
5;10;15;20;30;50;75;150;300 |
300 |
- |
10 |
15 |
|
40;200;400 |
400 | ||||
|
500;600;800 |
500;600;800 |
10 | |||
|
1000;1200;1500;2000;3000 |
1000~3000 |
20 |
20 |
30 | |
|
型號 |
額定一次電流(A) |
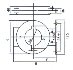
H |
h |
ΦD |
Φd |
B |
|
LMZ1-0.5 |
5.10.20.50.100 |
120 |
71 |
92 |
32 |
50 |
|
15.30.40.75.150.200 | ||||||
|
LMZJ1-0.5 |
5.10.15.20.30.50
75.100.150.300 |
122 |
73 |
97 |
35 |
46 |
|
40.200.400 |
45 |

|
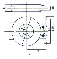
型號 |
額定一次電流(A) |
H |
h |
ΦD |
Φd |
a |
b |
|
LMZJ1-0.5 |
500.600 |
130 |
75 |
106 |
40 |
9 |
53 |
|
800 |
140 |
85 |
115 |
50 |
12 |
63 |

|
電流比 |
A1 |
A2 |
B |
h |
H |
L1 |
L2 |
C |
|
1000/5 |
174 |
102 |
50 |
91 |
153 |
150 |
117 |
50 |
|
1200/5 | ||||||||
|
1500/5 | ||||||||
|
2000/5 |
216 |
140 |
70 |
102 |
175 |
150 |
117 |
56 |
|
2500/5 | ||||||||
|
3000/5 |
