| 產品名稱: | CS1000KF1系列霍爾可拆卸電流傳感器 | |||||
| 型號規格: | ![]() |
|||||
| 產品類別: | 常規產品 -- 低壓電器 -- 電流傳感器 | |||||
| 參考價格: | 廠價直銷 | |||||
| 產品品牌: | 奇霍 | |||||
| 產品產地: | 江蘇 | |||||
| 可供數量: | 批量 | |||||
| 供貨周期: | 現貨(或電詢) | |||||
|
||||||
| 產品簡介: |
|
|||||
|
|
型號 |
CS200KF1 |
CS400KF1 |
CS600KF1 |
CS800KF1 |
CS1000KF1 |
|
|
IPN |
原邊額定輸入電流 |
200 |
400 |
600 |
800 |
1000 |
A |
|
IP |
原邊電流測量范圍 |
0~±400 |
0~±800 |
0~±1200 |
0~±1600 |
0~±2000 |
A |
|
VOUT |
副邊額定輸出電壓 |
4±1% |
V | ||||
|
VC |
電源電壓 |
±12~±15(±5%) |
V | ||||
|
IC |
電流消耗 |
VC=±15V<25 |
mA | ||||
|
Vd |
絕緣電壓 |
在原邊與副邊電路之2.5KV有效值/50Hz/1分鐘 |
| ||||
|
εL |
線性度 |
<1 |
%FS | ||||
|
V0 |
零點失調電壓 |
TA =25℃ <±25 |
mV | ||||
|
VOM |
磁失調電壓 |
IPN→0 <±25 |
mV | ||||
|
VOT |
失調電壓溫漂 |
IPN=0 TA =-25~+85℃ <±1 |
mV/℃ | ||||
|
Tr |
響應時間 |
≤7 |
μs | ||||
|
f |
頻帶寬度(-3dB) |
DC~20 |
kHz | ||||
|
TA |
工作環境溫度 |
-25~+85 |
℃ | ||||
|
TS |
貯存環境溫度 |
-40~+100 |
℃ | ||||
|
RL |
負載電阻 |
≥10K |
Ω | ||||
|
|
標準 |
Q/3201CHGL02-2007 |
| ||||
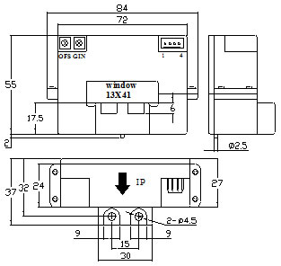
外形尺寸(mm)

引腳說明:1:+15V 2:-15V 3:Vout 4:0V(電源地) OFS:零點調節 GIN:幅度調節
引線輸出接線:紅:+15V 藍:-15V 黃:Vout 黑:0V(電源地)