| 產品名稱: | GKZ-W周波數調壓模塊 | |||||
| 型號規格: | ![]() |
|||||
| 產品類別: | 常規產品 -- 低壓電器 -- 固態繼電器 | |||||
| 參考價格: | 廠價直銷 | |||||
| 產品品牌: | 國產 | |||||
| 產品產地: | 上海 | |||||
| 可供數量: | 批量 | |||||
| 供貨周期: | 現貨(或電詢) | |||||
|
||||||
| 產品簡介: |
|
|||||
GKZ-W 周波數調壓模塊
GKZ-W周波數調壓模塊能和各種規格的單相、兩相、三相過“零” 固態繼電器組成交流調壓調功系統。其工作原理為:通過控制輸入電壓(1—5VDC)或輸入電流(4—20mADC)的大小來改變輸出電壓周波數,從而實現改變輸出功率的目的。
產品采用交流過零觸發方式減少了可能產生的高次
諧波對電網的干擾,能防止受控溫度的“過沖”現象產生,具有較高的控溫精度。
產品控制方式簡便,可手動亦可自動。手動時需外接一只10K電位器,其控制電源由本控制器提供,無需外接,相當方便。自動時可直接與溫控表、計算機連接。本公司現提供組合三相電加熱配套系統供客戶選購。規格有120A*3、200A*3 、300A*3。(含散熱器及風扇)
引腳功能:
|
名 稱 |
功 能 |
|
220VAC |
電源 |
|
OUT 16V |
周波數控制輸出 |
|
+5V |
控制電源 |
|
1~5V |
控制輸入 |
|
COM |
控制負端 |
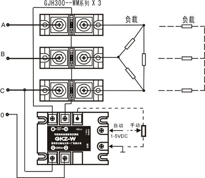
應用電路:
應用線路中:
1、采用10K電位器,若自動輸入是4-20mA請加接250Ω電阻后輸入。 
2、GKZ-W輸出可以控制一個固態繼電器,亦可以控制2個(串聯)或3個(串聯)固態繼電器。
由上述應用線路可知,本調壓控制系統的最大特點是:負載端的接線非常方便,尤其對三相電源可任意連接,無須認相位。
3、模塊體積:106mm*75mm*33mm。