| 產品名稱: | YQS系列井用潛水三相異步電動機 | |||||
| 型號規格: | ![]() |
|||||
| 產品類別: | 常規產品 -- 電機產品 -- 交流專用電機 | |||||
| 參考價格: | 廠價直銷 | |||||
| 產品品牌: | 國產 | |||||
| 產品產地: | 上海 | |||||
| 可供數量: | 批量 | |||||
| 供貨周期: | 現貨(或電詢) | |||||
|
||||||
| 產品簡介: |
|
|||||
一、概述
YQS系列井用潛水三相異步電動機為充水密封型三相異步電動機,主要用于在深井中驅動潛水泵提取地下水,為工礦企業、農田、牧場和居民生活提供生產和生活用水。本系列產品壽命長,易于維護,是目前最理想的深井提水設備。
使用條件 電動機應完全潛入水中立式使用,其潛入深度不大于70m,最地位置劇井底底不少于5m;電動機為連續工作制;介質水溫不高于20℃;水中固體雜質含量(重量比)不超過0.01%;介質水中不含腐蝕性物質,pH值在6.5~8.5范圍內;電動機內必須沖滿潔凈的清水。
YQS系列井用潛水三相異步電動機型號含義 
二、結構簡介
YQS系列電機結構(見圖1)。

圖1 YQS系列電機結構示意圖
1-法蘭 2-摔砂環 3-壓蓋 4-油封 5-滑套 6-上導軸承 7-軸套 8-軸瓦 9-定子
10-轉子11-下導軸承12-滑板 13-止推軸承14-底座 15-調節囊 16壓蓋
表1電動機機座號與適應井徑對應表
|
機座號 |
150 |
175 |
200 |
250 |
|
井徑/mm |
150 |
175 |
200 |
250 |
|
機座號 |
150 |
175 |
200 |
250 |
|
向下推力/KN |
6 |
8 |
10 |
15 |
|
件號 |
型號 |
額定功率 |
額定電壓/V |
額定電流/A |
效率
(%) |
功率
因數 |
堵轉電流 | |
|
hp |
kW |
額定電流 | ||||||
|
20001075 |
YQS150-3 |
4 |
3 |
380 |
7.9 |
74.0 |
0.78 |
7.0 |
|
20001076 |
YQS150-4 |
5.5 |
4 |
10.3 |
75.0 |
0.79 | ||
|
20001077 |
YQS150-5.5 |
7.5 |
5.5 |
13.7 |
76.0 |
0.80 | ||
|
20001078 |
YQS150-7.5 |
10 |
7.5 |
18.5 |
77.0 |
0.80 | ||
|
20001079 |
YQS150-9.2 |
12.5 |
9.2 |
22.1 |
78.0 |
0.81 | ||
|
20001080 |
YQS150-11 |
15 |
11 |
26.3 |
78.5 |
0.81 | ||
|
20001081 |
YQS150-13 |
17.5 |
13 |
30.9 |
79.0 |
0.80 | ||
|
20001082 |
YQS150-15 |
20 |
15 |
35.6 |
79.0 |
0.80 | ||
|
件號 |
型號 |
額定功率 |
額定
電壓/V |
額定
電流/A |
效率
(%) |
功率
因數 |
堵轉電流 | |
|
hp |
kW |
額定電流 | ||||||
|
01354506 |
YQS175-7.5 |
10 |
7.5 |
380 |
18.4 |
77.5 |
0.80 |
7.0 |
|
01354507 |
YQS175-9.2 |
12.5 |
9.2 |
22.1 |
78.0 |
0.81 | ||
|
01354508 |
YQS175-11 |
15 |
11 |
26.5 |
79.0 |
0.81 | ||
|
01354509 |
YQS175-13 |
17.5 |
13 |
30.1 |
80.0 |
0.82 | ||
|
01354510 |
YQS175-15 |
20 |
15 |
34.5 |
80.0 |
0.82 | ||
|
01354511 |
YQS175-18.5 |
25 |
18.5 |
42.3 |
80.5 |
0.82 | ||
|
01354512 |
YQS175-22 |
30 |
22 |
49.4 |
81.0 |
0.83 | ||
|
01354513 |
YQS175-25 |
35 |
25 |
55.8 |
81.0 |
0.83 | ||
|
01354514 |
YQS175-30 |
40 |
30 |
65.4 |
83.0 |
0.84 | ||
|
件號 |
型號 |
額定功率 |
額定
電壓/V |
額定
電流/A |
效率
(%) |
功率
因數 |
堵轉電流 | |
|
hp |
kW |
額定電流 | ||||||
|
01354535 |
YQS250- |
5.5 |
4 |
380 |
10.1 |
76.0 |
0.79 |
7.0 |
|
01354536 |
YQS250- |
7.5 |
5.5 |
13.5 |
77.0 |
0.80 | ||
|
01354537 |
YQS250- |
10 |
7.5 |
18.0 |
78.0 |
0.81 | ||
|
01354538 |
YQS250- |
12.5 |
9.2 |
21..7 |
78.5 |
0.82 | ||
|
01354539 |
YQS250- |
15 |
11 |
25.7 |
79.0 |
0.82 | ||
|
01354540 |
YQS250- |
17.5 |
13 |
29.6 |
80.0 |
0.83 | ||
|
01354541 |
YQS250- |
20 |
15 |
33.8 |
81.0 |
0.83 | ||
|
01354542 |
YQS250- |
25 |
18.5 |
41.6 |
81.5 |
0.83 | ||
|
01354543 |
YQS250- |
30 |
22 |
48.2 |
82.0 |
0.84 | ||
|
01354544 |
YQS250- |
35 |
25 |
54.5 |
82.5 |
0.84 | ||
|
01354545 |
YQS250- |
40 |
30 |
65.4 |
83.0 |
0.84 | ||
|
01354546 |
YQS250- |
50 |
37 |
79.7 |
84.0 |
0.84 | ||
|
01354547 |
YQS250- |
60 |
45 |
96.9 |
84.0 |
0.84 |
6.5 | |
|
件號 |
型號 |
額定功率 |
額定電壓
/V |
額定電流
/A |
效率
(%) |
功率
因數 |
堵轉電流 | |
|
hp |
kW |
額定電流 | ||||||
|
20000987 |
YQS250-18.5 |
25 |
18.5 |
380 |
41.0 |
82.0 |
0.84 |
7.0 |
|
20000988 |
YQS250-22 |
30 |
22 |
48.0 |
83.0 |
0.84 | ||
|
20000989 |
YQS250-25 |
35 |
25 |
54.0 |
84.0 |
0.84 | ||
|
20000990 |
YQS250-30 |
40 |
30 |
64.0 |
84.5 |
0.84 | ||
|
20000991 |
YQS250-37 |
50 |
37 |
78.0 |
85.0 |
0.85 | ||
|
20000992 |
YQS250-45 |
60 |
45 |
94.0 |
85.5 |
0.85 |
6.5 | |
|
20000993 |
YQS250-55 |
75 |
55 |
114.0 |
86.0 |
0.85 | ||
|
20000994 |
YQS250-63 |
87 |
63 |
131.0 |
86.0 |
0.85 | ||
|
20000995 |
YQS250-75 |
102 |
75 |
152.0 |
87.0 |
0.86 | ||
|
20000996 |
YQS250-90 |
122 |
90 |
183.0 |
87.0 |
0.86 | ||
|
20000997 |
YQS250-100 |
136 |
100 |
203.0 |
87.0 |
0.86 | ||
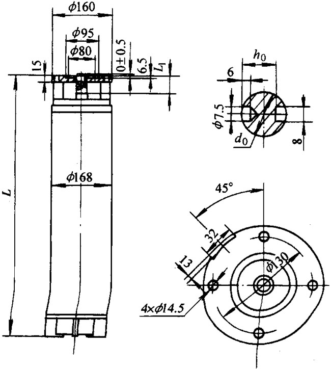
|
型號 |
d0 |
b0 |
h0 |
L |
L1 |
重量/kg |
|
YQS150-3 |
ф18 |
6 |
14.5 |
791 |
40 |
52 |
|
YQS150-4 |
851 |
| ||||
|
YQS150-5.5 |
906 |
63 | ||||
|
YQS150-7.5 |
976 |
70 | ||||
|
YQS150-9.2 |
ф25 |
8 |
21 |
1021 |
50 |
75 |
|
YQS150-11 |
1071 |
80 | ||||
|
YQS150-13 |
1131 |
86 | ||||
|
YQS150-15 |
1131 |
86 |
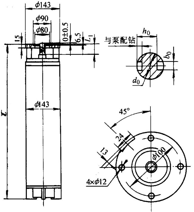
|
型號 |
d0 |
h0 |
L |
L1 |
重量/kg |
|
YQS175-7.5 |
ф25 |
21 |
740 |
45 |
69 |
|
YQS175-9.2 |
800 |
78 | |||
|
YQS175-11 |
835 |
83 | |||
|
YQS175-13 |
890 |
92 | |||
|
YQS175-15 |
920 |
96 | |||
|
YQS175-18.5 |
ф28 |
24 |
1010 |
55 |
108 |
|
YQS175-22 |
1060 |
115 | |||
|
YQS175-25 |
1130 |
126 | |||
|
YQS175-30 |
1280 |
148 |

|
型號 |
d0 |
h0 |
L |
L1 |
重量/kg |
|
YQS200-4 |
ф25-0.020
-0.033 |
21 |
801 |
25 |
75 |
|
YQS200-5.5 |
831 |
78 | |||
|
YQS200-7.5 |
850 |
80 | |||
|
YQS200-9.2 |
866 |
82 | |||
|
YQS200-11 |
901 |
89 | |||
|
YQS200-13 |
941 |
96 | |||
|
YQS200-15 |
965 |
99 | |||
|
YQS200-18.5 |
ф28-0.020
-0.33 |
24 |
1061 |
30 |
103 |
|
YQS200-22 |
1075 |
114 | |||
|
YQS200-25 |
1141 |
123 | |||
|
YQS200-30 |
1246 |
147 | |||
|
YQS200-37 |
1355 |
155 | |||
|
YQS200-45 |
1465 |
161 |
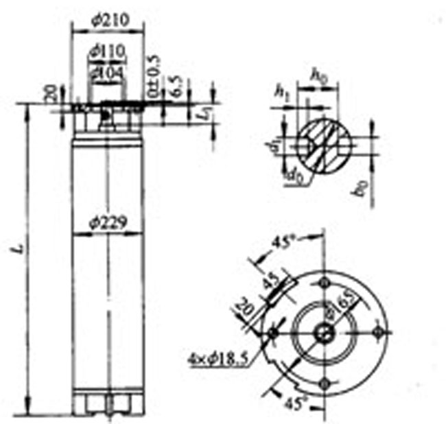
|
型號 |
d0 |
d1 |
h1 |
h0 |
b0 |
L |
L1 |
重量/kg |
|
YQS250-18.5 |
ф28-0.020
-0.33 |
7.5 |
6 |
24 |
8 |
1097 |
55 |
152 |
|
YQS250-22 |
1127 |
157 | ||||||
|
YQS250-25 |
1157 |
168 | ||||||
|
YQS250-30 |
1197 |
180 | ||||||
|
YQS250-37 |
1267 |
187 | ||||||
|
YQS250-45 |
ф38-0.020
-0.33 |
9.5 |
7 |
33 |
10 |
1337 |
70 |
210 |
|
YQS250-55 |
1467 |
221 | ||||||
|
YQS250-63 |
1567 |
250 | ||||||
|
YQS250-75 |
1677 |
282 | ||||||
|
YQS250-90 |
1807 |
310 | ||||||
|
YQS250-100 |
1887 |
329 |