| 產品名稱: | ZX12系列起動調整電阻器 | |||||
| 型號規格: | ![]() |
|||||
| 產品類別: | 常規產品 -- 低壓電器 -- 起動電阻器 | |||||
| 參考價格: | 廠價直銷 | |||||
| 產品品牌: | 國產 | |||||
| 產品產地: | 上海 | |||||
| 可供數量: | 批量 | |||||
| 供貨周期: | 現貨(或電詢) | |||||
|
||||||
| 產品簡介: |
|
|||||

|
型號 |
發熱時間常數(S) |
允許負載電流(A) |
總電阻值(Ω) |
電阻元件 | ||
|
型號數量接法 | ||||||
|
ZX12-0.1 |
200 |
215 |
0.1 |
ZJ1-1 |
12 |
2并6串 |
|
ZX12-0.14 |
150 |
181 |
0.14 |
ZJ1-2 |
12 |
2并6串 |
|
ZX12-0.2 |
120 |
152 |
0.2 |
ZJ1-3 |
12 |
2并6串 |
|
ZX12-0.28 |
140 |
128 |
0.28 |
ZJ1-4 |
16 |
2并8串 |
|
ZX12-0.4 |
200 |
107 |
0.1 |
ZJ1-1 |
12 |
12串 |
|
ZX12-0.56 |
150 |
91 |
0.56 |
ZJ1-2 |
12 |
12串 |
|
ZX12-0.8 |
120 |
76 |
0.8 |
ZJ1-3 |
12 |
12串 |
|
ZX12-1.1 |
140 |
64 |
1.1 |
ZJ1-4 |
16 |
16串 |
|
ZX12-1.6 |
128 |
54 |
1.6 |
ZJ1-5 |
16 |
16串 |
|
ZX12-2.2 |
104 |
46 |
2.2 |
ZJ1-6 |
16 |
16串 |
|
ZX12-3.0 |
136 |
39 |
3.0 |
ZJ1-7 |
24 |
24串 |
|
ZX12-4.2 |
104 |
33 |
4.2 |
ZJ1-8 |
24 |
24串 |
|
ZX12-5.6 |
96 |
29 |
5.6 |
ZJ1-9 |
24 |
24串 |
|
ZX12-8.0 |
80 |
24 |
8.0 |
ZJ1-10 |
24 |
24串 |
結構特征
電阻器ZX12型系列系敞開式,防護等級為1P00,全系列電阻器按各種上規格分別由12、16及24片電阻元件裝配而成。電阻元件為鐵鉻鋁合金軋制成齒形,結構按其寬度分為大、中、小三種,大片與中片兩端沖孔作為安裝之用,小片規格的兩端直接由接線板聯結,電阻元件兩端聯結處,去除表面氧化膜以保證觸良好。每一電阻元件的聯結均憑借緊固鏍釘壓緊,以保證良好的接觸電阻。
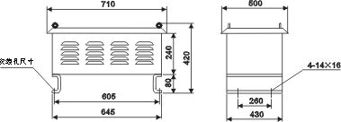
外形及安裝尺寸
ZX12型戶內電阻器外形及安裝尺寸