Y/YW型閥是先導式控制的溢流閥,導閥和主閥均為錐閥式結構。Y型閥主要用于控制系統的壓力;YW型閥也可以控制系統的壓力并能在任意時刻使之卸荷。
型號說明

技術參數
|
規 格 |
03 |
06 |
10 |
|
最大流量l/min |
100 |
200 |
400 |
|
工作壓力A,B,X(MPa) |
至31.5 |
|
背壓MPa |
Y |
至31.5 |
|
YW |
至6 |
|
最小調節壓力MPa |
與流量有關 |
|
最大調節壓力MPa |
3.15 |
|
介質 |
礦物質液壓油、磷酸脂液壓油 |
| 介質粘度范圍mm2/s |
2.8~100 |
| 介質溫度范圍℃ |
-20~70 |
|
電磁閥特性 |
見FW-01電磁換向閥 |
機能符號

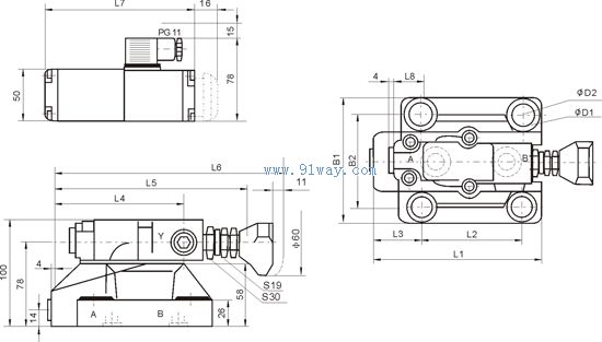
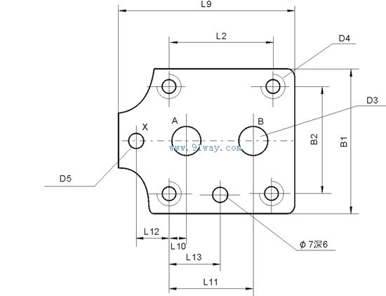
外型及安裝尺寸



Y/YW型先導式溢流閥/電磁溢流閥