一、用途:
ZZE系列電磁失電制動器主要與Y系列電機配套派生成YEJ系列電磁制動三相異步電動機,是現代工業中一種理想的自動化執行元件,可實現快速停止、準確定位、往復運動、頻繁起動、防止滑行的特殊要求的各種機械傳動中。
二、結構原理:
ZZE系列電磁失電制動器為電磁脫離(釋放),斷電彈簧施壓的摩擦式制動器,在斷電時安全可靠的制動。
ZZE系列電磁失電制動器具有手動釋放、輕巧、省力的特點。
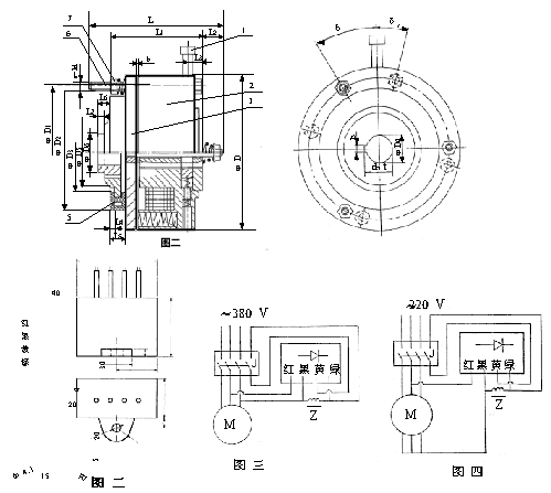
制動器主要由手動釋放螺釘(1)、磁軛(2)、銜鐵(3)、彈簧(4)、摩擦盤(5)、安裝螺栓(6)、調節螺母(7)等零部件組成。當磁軛中電磁線圈通電時,由于電磁吸力作用,磁軛吸引銜鐵并壓縮彈簧,使摩擦盤與銜鐵、設備端蓋脫開制動扭矩消失;當電磁線圈斷電,制動器失去電磁吸力,彈簧推動銜鐵壓緊摩擦盤,產生摩擦力矩。
三、 安裝:
用安裝螺栓(6)旋入設備端蓋上,把磁軛和銜鐵工作氣隙調至推薦初始安裝氣隙δ,反向旋轉調節螺母(7),使其頂緊設備端蓋。ZZE7.5-75以內為三顆安裝螺栓,ZZE150開始四顆安裝螺栓。(圖一)
四、 使用說明:
1、 該制動器屬干式,必能在無油狀態下工作;環境氣溫不超過40℃,最低氣溫不低于-15℃;海拔高度不超過1000m;環境空氣相對濕度不大于85%;電源電壓波動不超過+5%和-15%的額定電壓。
2、 制動器正常工作一段時間后,因摩擦損耗使工作氣隙大于允許最大工作氣隙時,應再將氣隙調至推薦的初始安裝氣隙。
五、整流電源:
本公司有制動器工作電壓配套的整流電源,其體積小,直接安裝于電機接線盒內。(圖二)(圖三)為整流電源接線圖,Z為制動器線圈,J為交流接觸常開觸點;慢速制動時,黃、綠兩色線直接連制動器線圈一端;快速制動時,按(圖三)示,黃、綠兩色線分開,接入常開觸點J。圖四為交流220V輸入,直流99V輸出接線方式。
