適用范圍
JRS1D系列熱過載繼電器用于交流50Hz (或60Hz),額定絕緣電壓660V,額定電流0.1A~93A的電路中,作電動機的過載及斷相保護。并可與相應的交流接觸器組成起動器。
結構特征
熱繼電器造型新穎、美觀,具有斷相保護、溫度補償、整定電流可調、自動和手動復位任意選擇、動作指示信號等功能,產品常閉、常開輔助觸頭絕緣分開、安裝面積小、安裝方式多樣并具有測試按鈕和停止按鈕。可進行動作靈活性檢查,有防止手指觸電護罩,使用安全。
型號及含義

主要技術參數
1.主電路技術參數見表1
表1主電路的技術參數
2.輔助觸頭的基本參數見表2
表2輔助觸頭基本參數
3.熱繼電器的動作特性見表3和表4(+20℃)
表3 各相負載平衡時的動作特性
表4 各相負載不平衡(斷相)時的動作特性

外形與安裝尺寸
熱繼電器的外形尺寸見圖1~圖3

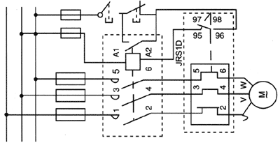
接線原理圖

圖4 負載為電動機時的接線原理圖
訂貨須知
訂貨時應注明熱繼電器的型號、名稱、額定電流等級、熱元件整定電流范圍、安裝方式及訂貨數量。例如:JRS1D-36/Z型整定電流為7-10A的熱繼電器20臺。