|
產品名稱: |
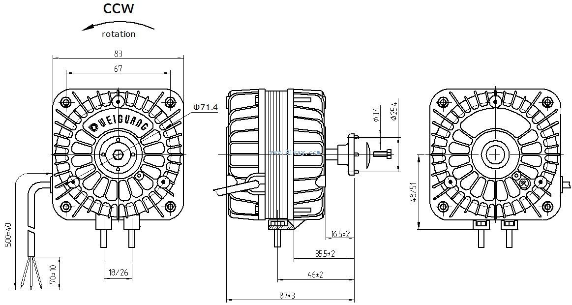
YZF10-20單相交流罩極式電動機
|
|
型號規格: |
|

放大圖片 |
|
產品類別: |
常規產品 -- 電機產品
-- 單相罩極電動機 |
|
參考價格: |
廠價直銷 |
|
產品品牌: |
國產 |
|
產品產地: |
上海 |
|
可供數量: |
批量 |
|
供貨周期: |
現貨(或電詢) |
|
|
|
|
產品簡介: |
|
YZF10-20單相交流罩極式電動機產品詳細說明:
YZF10-20單相交流罩極式電動機
|
電壓類型 |
單相 |
|
電壓(V) |
220-240 |
|
頻率 (Hz) |
50/60 |
|
功率(W) |
36 |
|
電流 (A) |
0.25 |
|
轉速(r/min) |
1300/1550 |
|
負載風葉 |
Φ230 |
|
風量(m³/h) |
650 |
|
最低環境溫度 (℃) |
-25 |
|
最高環境溫度 (℃) |
+50 |
|
葉輪材質 |
鋁 |
|
轉子材質 |
鑄鋁 |
|
出風方向 |
吸/吹 |
|
防護等級 |
IP42/IP44 |
|
絕緣等級 |
B |
|
電機保護 |
阻抗保護 |
|
儲存溫度 |
-40℃/+80℃ |
|
認證 |
VDE、CE、CCC |

相關產品:
相關文章: