QC36系列電磁起動器(以下簡稱起動器),主要適用于交流50Hz(或60Hz)、額定工作電壓至380V、額定工作電流至150A的電路中, 用作控制三相鼠籠型感應電動機,使其直接起動、停止和正反向運轉,帶有熱過載繼電器的起動器能對電動機的過載或斷相起保護作用。
QC36系列電磁起動器符合標準IEC60947-4-1(1990)、GB14048.4-1993。

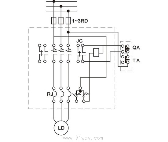
圖1 QC36系列不可逆起動器電氣原理

圖2 QC36系列可逆起動器電氣原理

圖3 QC36系列起動器外形及安裝尺寸

QC36系列電磁起動器