| 產品名稱: | JLDZ-10R系列組合互感器 | |||||
| 型號規格: | ![]() |
|||||
| 產品類別: | 常規產品 -- 高壓電器 -- 組合式互感器 | |||||
| 參考價格: | 廠價直銷 | |||||
| 產品品牌: | 國產 | |||||
| 產品產地: | 上海 | |||||
| 可供數量: | 批量 | |||||
| 供貨周期: | 現貨(或電詢) | |||||
|
||||||
| 產品簡介: |
|
|||||

|
額定電流比
(A) |
準確級組合 |
額定輸出
(VA) |
額定短時熱電流(kA) |
額定動穩定電流(kA) |
額定絕緣水平(kV) |
|
10-200/5 |
0.2S
0.2
0.5S
0.5
0.2S/0.5 |
10
10
10
15
10/15 |
100I1n |
250I1n |
12/42/75 |
|
300/5 |
30 |
75 | |||
|
400-1000/5 |
63 |
130 |
|
型號 |
額定電壓比
(kV) |
準確級組合 |
額定輸出
(VA) |
極限輸出
(VA) |
額定絕緣水平
(kV) |
|
JLDZ-6R(G) |
6/0.1 |
0.2
0.5 |
30
50 |
500 |
7.2/32/60 |
|
JLDZ-10R(G) |
10/0.1 |
12/42/75 | |||
|
10/0.1/0.1 |
0.2/0.5 |
15/20 |
200 | ||
|
JLDZ-6R(G) |
6/√3/0.1/√3/0.1/3 |
0.2/6P
0.5/6P
1/6P |
20/50
50/50
90/50 |
400 |
7.2/32/60 |
|
JLDZ-10R(G) |
10/√3/0.1/√3/0.1/3 |
12/42/75 |
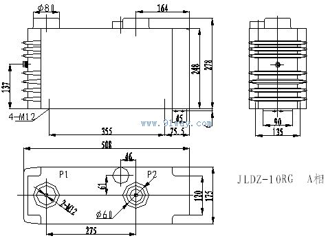
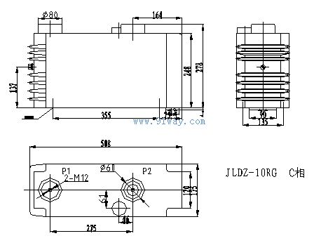
五、外形及安裝尺寸