| 產品名稱: | LDJ8-35系列電流互感器 | |||||
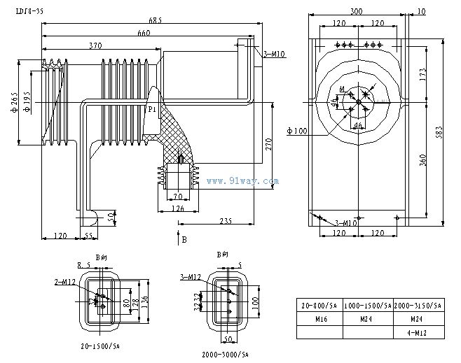
| 型號規格: | ![]() |
|||||
| 產品類別: | 常規產品 -- 高壓電器 -- 35KV電流互感器 | |||||
| 參考價格: | 廠價直銷 | |||||
| 產品品牌: | 國產 | |||||
| 產品產地: | 上海 | |||||
| 可供數量: | 批量 | |||||
| 供貨周期: | 現貨(或電詢) | |||||
|
||||||
| 產品簡介: |
|
|||||
|
定一次電流(A) |
準確級次組合 |
額定輸出(VA) |
額定短時熱電流(Ith)(kA) |
額定動穩定電流(Idyn) (kA) |
|
200~300 |
0.2/10P10
0.5/10P10
0.2/10P20
0.5/10P20
0.2/0.5/10P10
0.2/0.5/10P20
0.2/10P10/10P10 |
20/50
30/50
20/20
30/20
20/30/30
20/30/15
30/30/30 |
150I1n |
375I1n |
|
400 |
45 |
112.5 | ||
|
500 |
63 |
130 | ||
|
600 | ||||
|
800 |
0.2/10P10
0.5/10P10
0.2/10P20
0.5/10P20
0.2/0.5/10P10
0.2/0.5/10P20
0.2/10P10/10P10 |
30/50
50/50
40/30
50/30
30/40/40
30/40/20
40/40/40 |
80 | |
|
1000~1200 | ||||
|
1500 | ||||
|
2000~3000 |
100 |
160 |
