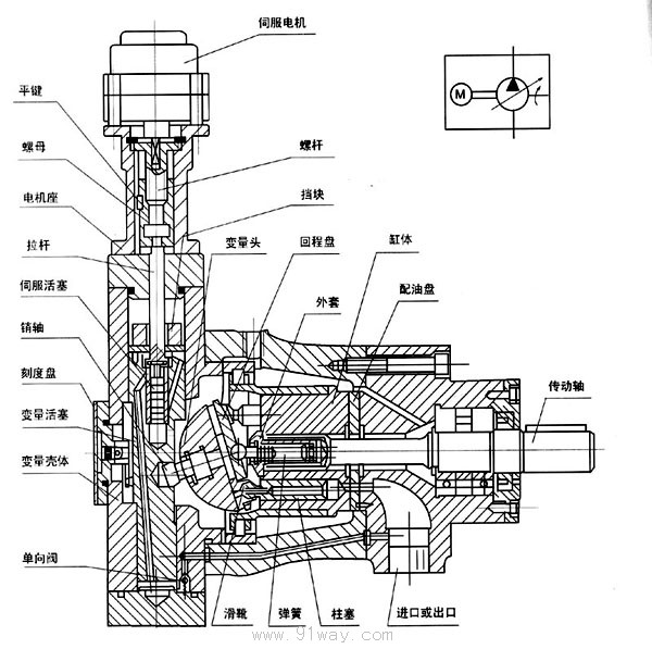
| 產品名稱: | DCY型軸向柱塞泵 | |||||
| 型號規格: | ![]() |
|||||
| 產品類別: | 常規產品 -- 泵閥管件 -- 柱塞泵 | |||||
| 參考價格: | 廠價直銷 | |||||
| 產品品牌: | 國產 | |||||
| 產品產地: | 上海 | |||||
| 可供數量: | 批量 | |||||
| 供貨周期: | 現貨(或電詢) | |||||
|
||||||
| 產品簡介: |
|
|||||


|
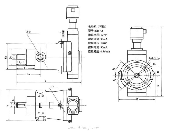
型號 |
進口 |
出口 |
|
10DCY14-1B |
22×16 |
18×13 |
|
25DCY14-1B |
34×24 |
28×20 |
|
63DCY14-1B |
42×30 |
34×24 |
|
B |
b |
b0 |
t |
D1 |
D2 |
D0 |
d |
d1 |
d2 |
d0×h0 |
L |
L1 |
L2 |
L3 |
L4 |
h |
H | |||
|
10 |
DCY14-1B |
175 |
142 |
8 |
28 |
75f9 |
125 |
100 |
25h6 |
M22×1.5 |
M14×1.5 |
M10×25 |
299 |
40 |
41 |
86 |
109 |
103 |
326 | ||
|
25 |
195 |
172 |
8 |
32.5 |
100f9 |
150 |
125 |
30h6 |
M33×2 |
M14×1.5 |
M10×25 |
363 |
52 |
54 |
104 |
134 |
141 |
384 | |||
|
63 |
259 |
200 |
12 |
42.8 |
120f9 |
190 |
155 |
40h6 |
M42×2 |
M18×1.5 |
M12×25 |
441 |
60 |
62 |
122 |
157 |
157 |
450 | |||