LFH-I型美標呼吸閥概述:
LFH-I型美標呼吸閥用于油及液體罐上,來排除罐內的正壓和負壓氣體,使罐內液體進出方便.如罐體上不裝呼吸閥罐內的液體進出有一定的障礙,很可能出現罐體變型和振動,該產品設計合理,結構簡單,使用方便;是儲罐的必備產品,不可缺少。
LFH-I型美標呼吸閥性能及特點:
• 新型全天候呼吸閥殼體選用鑄鐵、鑄鋼和鋁合金,耐腐蝕性好;
• 閥盤采用四氟材料,耐低溫,防凍性能好;
• 結構簡單,易檢修,安全方便;
• 新型全天候呼吸閥性能完全符合石油工業部標準 SY7511-87 規定。
LFH-I型美標呼吸閥適用范圍:
• 新型全天候呼吸閥適用于儲存閃點低于 28 ℃的甲類油品和閃點低于 60 ℃的乙類油品,如汽油、笨、甲笨、煤油、輕柴油、機油、原油等油品及性質相同的化工產品儲罐。
• 可與新型波紋阻火器配套使用。
LFH-I型美標呼吸閥使用說明:
呼吸閥安裝在儲罐頂部,是解決罐內正壓,負壓的氣體,使罐內的液體進出沒有受到阻礙,當外液體輸入罐內時有大量的氣體往外呼(稱正壓)。如罐內液體往外輸出時罐內必須從外空氣吸進罐內(稱負壓)。如停止工作時呼吸閥自動關閉不會把罐內液氣往外泄漏,使罐內的液體質量得到了有利的保障。
LFH-I型美標呼吸閥維護與保養:
• 為了呼吸閥使用安全,在使用前先檢查導桿和閥盤是否靈活。
• 此閥要定期( 6 個月內)檢查通氣口正、負閥盤是否靈活,閥盤接觸面有無損壞,如有損壞應立即檢修。 • 檢修完畢后,一切正常可重新使用。
LFH-I型美標呼吸閥主要技術參數:
LFH-I型美標呼吸閥主要技術參數:
| A級正壓 |
355Pa 36毫米水柱 |
| 負壓 |
295Pa 30毫米水柱 |
| B級正壓 |
980Pa 100毫米水柱 |
| 負壓 |
295Pa 30毫米水柱 |
| C級正壓 |
1765Pa 180毫米水柱 |
| 負壓 |
295Pa 30毫米水柱 |
LFH-I型美標呼吸閥零部件材料:
| 閥體材料 |
碳鋼WCB、不銹鋼304、316、鋁合金 |
| 正壓閥盤材料 |
不銹鋼304、316、鋁合金 |
| 負壓閥盤材料 |
不銹鋼304、316、四氟PTFE |
| 環境溫度 ℃ |
-30~60 |
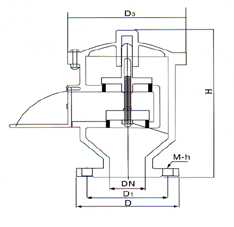
LFH-I型美標呼吸閥美標法蘭連接外形尺寸:ANSI、API、ASME 可供JIS標準
| 美標呼吸閥規格 |
美標呼吸閥安裝尺寸(mm) |
| D1 |
D |
D3 |
H |
M-h |
| 1" |
79.5 |
108 |
115 |
180 |
4×15 |
| 2" |
120.5 |
152 |
160 |
255 |
4×19 |
| 3" |
152.5 |
190 |
213 |
260 |
4×19 |
| 4" |
190.5 |
229 |
265 |
290 |
8×19 |
| 6" |
241.5 |
254 |
305 |
330 |
8×22 |
| 8" |
298.5 |
343 |
355 |
350 |
8×22 |
| 10" |
362 |
406 |
420 |
400 |
12×25 |
