| 產品名稱: | YLER系列力矩三相異步電動機 | |||||
| 型號規格: | ![]() |
|||||
| 產品類別: | 常規產品 -- 電機產品 -- 交流力矩電機 | |||||
| 參考價格: | 廠價直銷 | |||||
| 產品品牌: | 國產 | |||||
| 產品產地: | 上海 | |||||
| 可供數量: | 批量 | |||||
| 供貨周期: | 現貨(或電詢) | |||||
|
||||||
| 產品簡介: |
|
|||||

| 型號 | 額定堵轉轉矩 N·m |
堵轉電流 A |
轉速 |
噪聲 dB(A) |
制動力矩 N·m |
制動電流 A |
溫度續電器 | |
| 斷開溫度 ℃ |
觸頭容量 | |||||||
| YLER-5-6 | 5 | 3 | 740 | 62 | 3 | 0.65 | 115±5℃ | AC 220V 2A |
| YLER-9.4-6 | 9.4 | 4.5 | 890 | 62 | 3 | 0.65 | 115±5℃ | AC 220V 2A |
| LYER-18-4A | 18 | 7.5 | 1500 | 70 | 6 | 1.3 | 115±5℃ | AC 220V 2A |

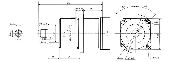
| 型號 | 安裝尺寸及公差 | 外形尺寸 | |||||||||||||||||
| D | D1 | D2 | C |
M |
E | F | G | HD | B | D3 | D4 |
L | |||||||
| 基本尺寸 | 極限偏差 | 基本尺寸 | 極限偏差 | 基本尺寸 | 位置度公差 | 基本尺寸 | 極限偏差 | 基本尺寸 | 極限偏差 | 基本尺寸 | 極限偏差 | ||||||||
| YLER-5-6 | 16 | +0.008 | 1)100 | 115 | 7 | ±0.18 | 8 | Φ0.4 | 21 | ±0.26 | 5 | 0-0.03 | 13 | 0-0.1 | 115 | 91 | 126 | 108 | 180 |
| YLER-9.4-6 |
-0.003 |
2)125 | 140 | 8 | ±0.18 | 10 | Φ0.4 | 29 | ±0.26 | 138 | 102 | 154 | 128 | 205 | |||||


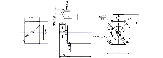
| 型號 | 堵轉轉矩 Nm |
堵轉電流 A |
轉速 r/min |
外形尺寸 | |||
| L | ΦC | ΦD | □M | ||||
| YLJ-5-6B | 5 | 3 | 750 | 125 | 135 | 125 | 115 |
| YLJ-3-6B | 3 | 1.6 | 730 | 113 | 120 | 108 | 100 |
| YLJ-3-4B | 3 | 2 | 1240 | ||||
| YLJ-1-6B | 1 | 1 | 630 | 100 | |||
| YLJ-1-4B | 1 | 1.4 | 1140 | ||||