概述
FN12-12D/630-20型戶內交流高壓負荷開關(以下簡稱FN12-12D負荷開關)是額定電壓為12KV,額定頻率為50Hz的三相高壓開關設備,用于分合負荷電流,閉環電流,空載變壓器和電纜充電電流,關合短路電流。配裝接地開關的負荷開關,可以承受短路電流。
FN12-12D.R/100-31.5型戶內交流高壓負荷開關——熔斷器組合電器(以下簡稱FN12-12D.R組合電器)是FN12-12D負荷開關開斷與S□LAJ-12(XRNT □-12)高壓限流式熔斷器組合在一起的戶內高壓開關設備。它可以可靠開斷直至短路電流的任何電流:負荷開關開斷工作電流,熔斷器開斷短路電流,聯合開斷工作電流與全短路電流之間的任何過電流,同時熔斷器通過其撞擊器使負荷開關分閘。
正常工作環境
1、周圍空氣溫度:上限+40 ℃,下限-25 ℃ 。
2、海拔高度為1000m及以下。
3、相對濕度:月平均值不大于90%,日平均值不大于95%。
4、周圍空氣應不受腐蝕性或可燃氣體及水蒸氣體等明顯污染。
5、無經常性劇烈運動。
6、耐污穢等級:Ⅱ級。
如使用條件超過上述規定,由用戶與制造廠商協商確定。
FKN12-12系列戶內高壓負荷開關技術參數性能
| 序號 |
項目 |
單位 |
FN12-12D/630-20 |
FN12-12D.R/100-31.5 |
| 1 |
額定電壓 |
kV |
12 |
| 2 |
額定頻率 |
Hz |
50 |
| 3 |
額定電流 |
A |
630 |
100 |
| 4 |
雷電沖擊耐受電壓 |
kV |
對地及相間75,隔離斷85 |
| 5 |
1min工頻耐受電壓 |
kV |
對地及相間42,隔離斷48 |
| 6 |
額定熱穩定電流 |
kA |
20(4S) |
| 7 |
額定動穩定電流 |
kA |
50 |
| 8 |
額定關合電流(峰值) |
kA |
50 |
|
| 9 |
額定短路開斷電流 |
kA |
|
31.5 |
| 10 |
額定轉移電流 |
kA |
|
1.5 |
| 11 |
最大開斷電流(參考值) |
kA |
1.8 |
| 12 |
開斷空載變壓器容量 |
Kva |
1250 |
| 13 |
額定電纜充電電流 |
A |
10 |
| 14 |
額定有功負載電流開斷次數 |
次 |
>100 |
| 15 |
撞擊器觸發負載開關分閘時間 |
S |
|
>0.06 |
| 16 |
接地開關熱穩定電流 |
kA |
20(2S) |
20(2S) |
| 17 |
接地開關熱穩定電流(峰值) |
kA |
50 |
50 |
| 18 |
電動機操作電源電壓 |
V |
AC220、DC48 |
·機械特征參數
| 序號 |
項目 |
單位 |
FN12-12D/630-20 |
FN12-12D.R/100-31.5 |
| 1 |
輔助觸頭開距 |
mm |
>155 |
| 2 |
三相分、合閘同期性 |
ms |
<3 |
| 3 |
剛分速度 |
m/s |
>2.8 |
2.80+0.4 |
| 4 |
剛合速度 |
m/s |
>3.8 |
| 5 |
接地開關斷口距離 |
mm |
145 ± 5 |
| 6 |
主回路電阻 |
μΩ |
<120 |
<300 |
| 7 |
最大操作力距 |
N.m |
<160 |
<180 |
·FKN12-12系列戶內高壓負荷開關主要技術參數
| 序號 |
型 號 |
熔斷額定電流(A) |
配用變壓器容量(kVA) |
| 英國型號 |
國標型號 |
| 1 |
SDLAJ-12 |
XPNT□-12 |
16 |
100,125,160 |
| 2 |
20 |
200 |
| 3 |
25 |
250 |
| 4 |
31.5 |
315 |
| 5 |
40 |
400 |
| 6 |
SFLAJ-12 |
50 |
500 |
| 7 |
63 |
630,800 |
| 8 |
80 |
1000 |
| 9 |
SSLAJ-12 |
100 |
1250 |
| 10 |
SKLAJ-12 |
125 |
1600 |
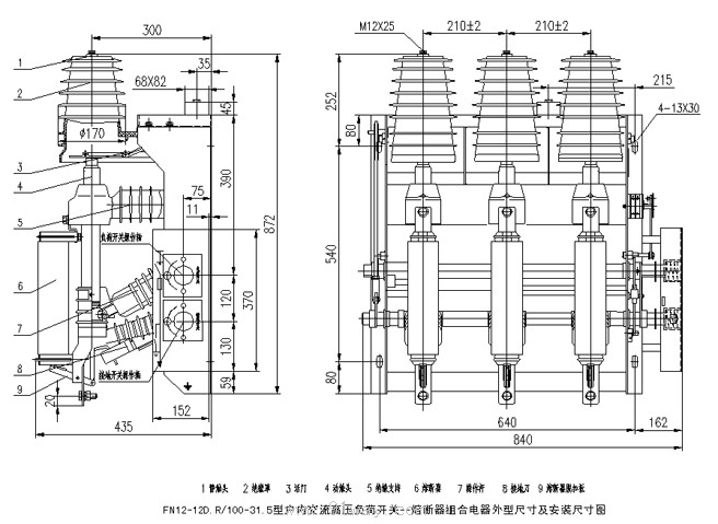
·FKN12-12系列戶內高壓負荷開關外形及安裝尺寸圖
