| 產品名稱: | FN16A-12D系列戶內交流高壓真空負荷開關 | |||||
| 型號規格: | FN16A-12 FN16A-12D FN16A-12RD | ![]() |
||||
| 產品類別: | 常規產品 -- 高壓電器 -- 戶內高壓負荷開關 | |||||
| 參考價格: | 廠價直銷 | |||||
| 產品品牌: | 國產 | |||||
| 產品產地: | 上海 | |||||
| 可供數量: | 批量 | |||||
| 供貨周期: | 現貨(或電詢) | |||||
|
||||||
| 產品簡介: |
|
|||||
概述
FN16A-12D/630型戶內交流高壓真空負荷開關及FN16A-12RD/200-31.5型負荷開關-熔斷器組合電器性能達到GB3804-90《3-63KV交流高壓負荷開關》和IEC420《交流高壓負荷開關-熔斷器組合電器》(1990年版)國際標準及國家標準(報批稿)的要求。具有體積小、外形美觀、安裝靈活、操作力小、開斷安全可靠、電壽命長、可頻繁每操作、開斷轉移電流大、基本不需要維護,有明顯的各里斷口且具有手、電動二用功能,可實現遠距離控制等優點。負荷開關-熔斷器組合電器還具有保護變壓器過載,防止設備缺相運行的功能。
主要用途
FN16A-12D/630型負荷開關和FN16A-12RD/200-31.5型組合電器適用交流50Hz,額定電壓6-10KV的網絡中。FN16A-12D/630可開斷負荷電流,FN16A-12RD/200-31.5可開斷負荷電流,過載電流和短路電流,特別適用于無油化,不檢修及頻繁操作要求的場所。本產品可配用CS6-Ⅰ型操作機構,也可在開關上直接操作,不必另附操作機構。選用FN16A-12D/12-J型開關可同時實現電動和手動操作。
使用環境條件
A 、周圍空氣溫度:上限+40oC ; 下限-25 oC
b 、相對濕度:月平均值不大于90%;日平均值不大于95%
c 、海拔不超過:1000m;
d 、周圍無腐蝕或可燃性氣體等明顯污染;
e 、無經常性的劇烈震動。
FN16A-12D系列戶內交流高壓真空負荷開關型號含義 

技術數據
1.FN16A-12D/630型負荷開關-熔斷器組合電器組合電器的技術參數見表1:
| 序號 | 項目 | 單位 | 參數 |
| 1 | 額定電壓及最高工作電壓 | KV | 12 |
| 2 | 額定頻率 | Hz | 50 |
| 3 | 額定電流 | A | 630 |
| 4 | 額定有功負載開斷電流 | A | 630 |
| 5 | 額定閉環開斷電流 | A | 630 |
| 6 | 5%額定有功負載斷電流 | A | 31.5 |
| 7 | 額定電纜充電開斷電流 | A | 10 |
| 8 | 額定電容開斷電流 | A | 400 |
| 9 | 額定空載變壓器開斷電流 | 1600VA變壓器空載電流 | |
| 10 | 1min 工頻耐受電壓(有效值)對地、相間、真空斷口/隔離斷口 | KV | 42/48 |
| 11 | 全波雷電沖擊耐受電壓(峰值)對地、相間、真空斷口/隔離斷口 | KV | 75/85 |
| 12 | 額定短時耐受電流(熱穩定) | KVIS | 20/3 |
| 13 | 額定峰值耐受電流(動穩定) | KV | 50 |
| 14 | 額定短路關合電流 | KV | 50 |
| 15 | 額定電流開斷次數 | 次 | 10000 |
| 16 | 機械壽命 | 次 | 10000 |
| 17 | 觸頭允許磨損累計厚度 | mm | 3 |
| 18 | 分合盞操作力距(力) | 120(240) | |
| 19 | 額定分閘操作電壓/電流 | V/A | ~220/0.5 |
| 20 | 額定分閘操作電壓/電流 | V/A | ~220/3 |
2.FN16A-12RD/200-31.5負荷開關-熔斷器組合電流的技術參數見表2:
| 序號 | 項目 | 單位 | 參數 |
| 1 | 額定電壓及最高工作電壓 | KV | 12 |
| 2 | 額定頻率 | Hz | 50 |
| 3 | 熔斷器最大額定電流 | A | 200 |
| 4 | 額定轉移電流 | A | 3150 |
| 5 | 熔斷管觸發開關的分閘時間 | ms | 310+5 |
| 6 | 額定短路開斷電流(預期有效值) | KA | 31.5 |
| 7 | 額定短路開斷關合電流(預期峰值) | KA | 80 |
| 8 |
1min工頻耐受電壓(有效值)對地、相間、真空斷口/隔離斷口 |
KV | 42/48 |
| 9 | 雷電沖擊耐受電壓(峰值)對地、相間、真空斷口/隔離斷口 | KV | 75/85 |
| 10 | 熔斷器撞擊輸出能量 | J | 2-5 |
3.隔離開關裝配技術參數見表3:
| 序號 | 項目 | 單位 | 參數 |
| 1 | 三相剛合位置不同期 | mm | ≤3 |
| 2 | 各相剛合位置偏斜 | mm | ≤2 |
| 3 | 觸刀正壓力 | N | 200±20 |
| 4 | 觸刀最后分離點到靜觸頭最小距離 | mm | ≥ |
| 5 | 靜觸頭與上支架間主回路電阻 | υΩ | ≤100 |
4.FN16A/12RD/200-31.5型組合電器的配熔斷器的技術闡述見表4.
| 型號 | 額定電壓 | 熔斷器額定電流 | 額定開斷電流 | 熔體額定電流 |
| SDLAJ,XRNT□ | 12 | 40 | 50 | 6.3,10,16,20,25,31.5,40 |
| SDLAJ,XRNT□ | 100 | 50,63,71,80,100 | ||
| SDLAJ,XRNT□ | 125 | 125 | ||
| 德國SIBA公司 | 12 | 200 | 40 | 160,200 |
5.真空滅弧室裝配調整的技術參數見表5:
| 序號 | 項目 | 單位 | 參數 |
| 1 | 觸頭開距 | Mm | ≤8+10 |
| 2 | 超行程(表現在超行程彈簧上) | mm | ≤5+10 |
| 3 | 平均合閘速度 | m/s | 06±0.2 |
| 4 | 平均分閘速度 | m/s | 1±0.2 |
| 5 | 三相觸頭分、合閘不同期性 | ms | ≤2 |
| 6 | 觸頭合閘彈跳時間 | ms | ≤2 |
| 7 | 帶電體之間及相對地距離 | mm | ≥125 |
| 8 | 上,下支架間主回路電阻 | υΩ | ≤60 |
6.接地開關的技術參數見表6:
| 序號 | 項目 | 單位 | 參數 |
| 1 | 觸頭壓力 | N | 200±200 |
| 2 | 接觸面積 | 應大于視在面積的2/3 | |
| 3 | 三相剛合位置不同期 | mm | ≤3 |
| 4 | 各相剛合位置偏斜 | mm | ≤1.5 |
| 5 | 關合速度 | m/s | ≥2.5 |
外形圖
圖1 FN16A-12D/630負荷開關的外形及安裝尺寸 

1.接地開關
2.下支架
3.真空滅弧室
4.絕緣支柱
5.上支架
6.絕緣拉桿
7.滑套
8.彈簧拉桿
9.隔離刀閘
10.絕緣子
11.電動機
12.操作機構
13.分閘緩沖墊
14.聯鎖機構
15.底架
16.接線端子
17.合閘彈簧
18.分閘彈簧
19.輔助開關
20.操作盤(正面操作時用)
21.隔離刀閘操作孔(背面操作時用)
22.負荷開關操作孔(背面操作時用 )
23.脫扣器
圖2FN16A-12RD/200-31.5型負荷開關-熔斷器組合電器的外形及安裝尺寸 

1.接地開關
2.下支架
3.真空滅弧室
4.絕緣支柱
5.上支架
6.絕緣拉桿
7.滑套
8.彈簧拉桿
9.隔離刀閘
10.絕緣子
11.電動機
12.操作機構
13.分閘緩沖墊
14.聯鎖機構
15.底架
16.接線端子
17.合閘彈簧
18.分閘彈簧
19.輔助開關
20.操作盤(正面操作時用)
21.隔離刀閘操作孔(背面操作時用)
22.負荷開關操作孔(背面操作時用 )
23.脫扣器
24.支座
25.熔斷器
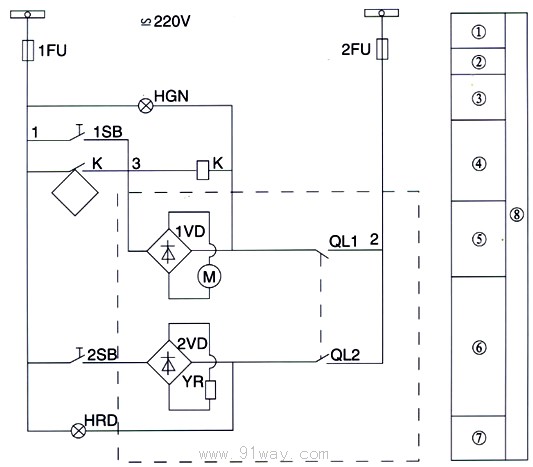
負荷開關和組合電器的控制回路 
| 1-2VD | 整流元件 | KBPC2520 | 機構內部 |
| YR | 跳閘線圈 | 直流 | 機構內部 |
| K | 家六接觸器 | CJT1-10/10A AC200V | |
| HRD | 紅色信號燈 | AD11-25 交流 | |
| HGN | 綠色信號燈 | AD11-25 交流 | |
| 1-2SB | 按鈕開關 | LA18-22 交流220V |
|
| QL1-2 | 輔助開關 | F10-22 Ⅱ/W2 | 機構內部 |
| M | 電動機 | 52ZYCJ-220V 30W | 機構內部 |
| 1-2FU | 熔斷器 | RL1-12/6A |
1.小母線
2.熔斷器
3.分閘指示
4.合渣指示
5.電機回路
6.分閘回路
7.合知指示
8.控制回路
注:虛線框內為機構內部接線
機構內部接線圖 
1-2VC:整流元件
YR:跳閘線圈
M:電動機
QL:輔助開關
FN16A-12D系列戶內交流高壓真空負荷開關