| 電機驅動 雙向調速直流電機驅動電路設計方案 對于PWM調速的直流電機驅動電路,主要考慮以下性能指標: 1、輸出電流和電壓范圍。它決定著電路能驅動多大功率的電機; 2、效率。高的效率不僅意味著節省電源,也會減少驅動電路的發熱。要提高電路的效率,可以從保證功率器件的開關工作狀態和防止共態導通(H橋電路可能出現的一個問題,即兩個功率器件同時導通使電源短路)入手; 3、對控制輸入端的影響。功率電路對其輸入端應有良好的信號隔離,防止有高電壓大電流進入主控電路,這可以用高的輸入阻抗或者光電耦合器實現隔離; 4、對電源的影響。共態導通可以引起電源電壓的瞬間下降造成高頻電源污染,大電流可能導致地線電位浮動; 5、可靠性。電機驅動電路應該盡可能做到:無論加上何種控制信號,何種無源負載,電路都是安全的。 經過實驗,得到一種可調速的雙向直流電機驅動電路,電路如附圖所示。
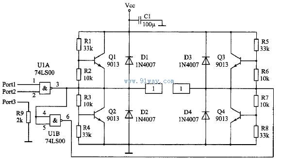
輸入與電平轉換部分 輸入信號線由Port引入,Port1腳是電機方向信號輸入端,Port2腳是PWM信號輸入端,Port3腳是地線。注意Port3腳對地連接了一個 2kΩ的電阻。當驅動板與單片機分別供電時,這個電阻可以提供信號電流回流的通路。當驅動板與單片機共用一組電源時,這個電阻可以防止大電流沿著連線流入單片機主板的地線造成干擾。或者說,相當于把驅動板的地線與單片機的地線隔開,實現“一點接地”。電容C1防止電機突然啟動造成電壓的突降。 與非門U1A實現PWM信號與電機方向信號的調制,轉換成接近功率電源電壓幅度的方波信號。 三極管驅動部分 三極管和電阻、二極管組成的電路驅動,實現對直流電機可調速正反轉驅動。四個二極管起保護三極管的作用,防止感性元件(電機)產生的負感應電動勢對三極管的沖擊。 當74LS00輸出端為低電平時,Q2、Q4截止,Q1、Q3導通,輸出為高電平。當74LS00輸出端為高電平時,Q2、Q4導通,Q1、Q3截止,輸出為低電平。 性能指標 電源電壓15—30v,最大持續輸出電流500mA/每個電機,短時間(10秒)可以達到700mA,PWM頻率最高可以用到30kHz(一般用1—10kHz)。 布線 大電流線路要盡量的短粗,并且盡量避免經過過孔,一定要經過過孔的話要把過孔做大一些(>1mm),并且在焊盤上做一圈小的過孔,在焊接時用焊錫填滿,否則可能會燒斷。另外,如果使用了穩壓管,三極管射極、集電極對電源和地的導線要盡可能的短粗,否則在大電流時,這段導線上的壓降可能會經過二極管和導通的三極管將其燒毀。 PWM調速的實現 產生PWM信號可以由定時器來完成,但是由于51內部只提供了兩個定時器,因此,如果要向三個或更多的直流電機輸出不同占空比的信號,要反復設置定時器,實現較為復雜,我們采用一種比較簡單的方法不僅可以實現對更多的直流電機提供不同的占空比輸入信號,而且只占用一個定時器資源。這種方法可以簡單表述如下: 在內存的某段空間內存放各個直流電機所需的輸入信號占空比信息,如果占空比為1則保存0FFH(11111111B);占空比為0.5則保存0F0H(11110000B)或任何二進制數中包括4個0和4個1。即占空比=1的個數/8。 具體選取什么樣的二進制數要看輸出頻率的要求。若要對此直流電機輸出PWM信號。只要每個時間片移位一次取出其中固定的一位(可以用位尋址或進位標志C實現)送到電機端口上即可。另外,移位算法是一種對以前結果依賴的算法,所以最好定期檢查或重置被移位的數,防止移錯導致一直錯下去。 這種算法的優點是獨立進程,可以實現對多個電機的控制,缺點是占用資源較大,PWM頻率較低。
 |